Zum Hauptinhalt springen

DC- and ZC-Versorgung für Bally / Stern MPU auf der Werkbank

Je nach Art und Umfang ist das Messen und Prüfen an den vertikal in der Backbox eingebauten Platinen sehr hinderlich. So ist eine Stromversorgung entstanden, mit der Bally und Stern EE MPU's horizontal auf der Workbench liegend mit den notwendigen Spannungen und dem Signal für den Zero-Crossing Detector versorgt werden können. Herausgekommen ist dieses kleine Helferlein:

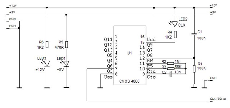
Der Adapter kann direkt auf den Versorgungsstecker für 5 1/4" Peripheriegeräte eines ausgemusterten PC-Netzteils gesteckt werden. Auf dem Adapter ist ein einfacher 100 Hz Rechteckgenerator zur Erzeugung des Zero-Crossing Signals integriert. So lässt sich eine Bally -17er und -35er oder eine Stern -100er und -200er MPU komplett außerhalb der Backbox booten. Die Versorgungsspannungen und das Rechtecksignal können direkt über farbige Krokodilklemmen an die jeweiligen Testpunkte der zu prüfenden MPU gelegt werden. 

+5V an TP5 , +12V an TP2 , GND an TP4 , 100Hz an TP3

Drei Leuchtdioden zeigen das Vorhandensein der 5V und 12V sowie des Taktsignals an.

Normalerweise wird das PC-Netzteil über eine grüne Steuerleitung (PS_ON) des Mainboard-Steckers eingeschaltet, indem diese Leitung auf Masse (schwarz) gelegt wird. Dazu müssten bei einem 20 poligen Mainboardstecker Pin 14 mit z.B. Pin 13 und bei einem 24 poligen Mainboardstecker Pin 16 mit z.B. Pin 15 gebrückt werden.

Auf der Werkbank sieht das dann so aus:

Es sollte selbstverständlich sein, beide Spannungen vor dem Verbinden mit der MPU zu prüfen. Ein fehlerhaftes Netzteil oder eine, an den falschen Punkten des Steckers abgegriffene oder an der MPU falsch angelegte Spannung können zu einem Schaden an der MPU führen. 

Es ist sicherzustellen, dass TP2 der MPU nicht bereits mit12V verbunden ist, wenn noch keine 5V Versorgung über TP5 angelegt worden ist. Das kann erreicht werden, wenn die Versorgungsleitungen vor dem Einschalten des Netzteils angelegt werden und erst nach dem Ausschalten des Netzteils entfernt werden.   

Hinweis: Manche PC-Netzteile benötigen auf dem +5V Ausgang eine Mindestlast, damit sie auf dem +12V Ausgang eine stabile Spannung bereitstellen.

Natürlich kann mit Hilfe des Adapters jede andere Platine, die 5V und/oder 12V benötigt, auf der Workbench versorgt werden.

Schaltplan des Adapters: